JP-LZK帶遠傳型金屬管轉子流量計是在基型的流量計加遠傳變送器,可以將信號遠傳給二次表或DCS實現遠距離檢測、指示、記錄與控制。
JP-LZ系列金屬管轉子流量計適用于小口徑和低流速介質流量測量,具有結構簡單、工作可靠、適用范圍廣、測量準確、安裝方便等特點。廣泛應用于化工以及食品制藥等行業。
JPLZ系列金屬管轉子流量計有普通型和防腐蝕型,以上兩種類型均分為現場指示型和電遠傳型,儀表材料為(1Cr18Ni9Ti)、防腐型為(1Cr18Ni9Ti)內襯PTEF。如被測介質易結晶或者結凍,還可以使用帶蒸汽伴熱型金屬管轉子流量計如測量的介質中含有鐵磁性顆粒,就應在流量計入口處安裝磁過濾器。它的材質與對應的流量計相同。
一、金屬管流量計測量原理:
| 金屬管轉子流量計的浮子垂直安裝在錐形測量管內,由于流體的作用,它可以在錐形管中上下自由移動,浮子的大外緣直徑與錐形管形成的環形面積隨著浮子位置的變化而變化,當流體的流量穩定在某一數值時,浮子也在某一個位置處于一種動平衡狀態,它與錐形管之間的環形面積也保持恒定,此時,浮子受到三個力的作用:浮子向下的重量W,向上的浮力F和流體的動力P,這三個力達到平衡。根據流體動力學的柏努力方程,力平衡方程和流體的連續性定理,可以計算出流體通過環形面積的平均瞬時流量。 |
![]() |
二、主要技術參數:
|
1、基型金屬管轉子流量計: (1)測量范圍:水(20℃) 2.5~150000L/h、 空氣(20℃,0.1013MPa)0.07~4000Nm3/h; (2)量程比:10:1; (3)精度:1.5/2.5; (4)工作壓力:≤6.4MPa; (5)工作溫度:-40~350℃(氟塑料襯里-10~80℃); (6)環境溫度:-20~80℃; (7)介質粘度:DN15≤5mPa.S、DN25~DN150≤250mPa.S; (8)管體材質:1Cr18Ni9Ti,316L,內襯PTEF等; (9)過程連接:法蘭,或按用戶提供; (10)蒸汽夾套頭:法蘭:DN15/PN1.6,或按用戶提供。 |
2、帶遠傳金屬管轉子流量計: (1)基本誤差:1.5%F.S; (2)輸出信號:4 ~ 20mA; (3)負載阻抗:350Ω; (4)電源電壓:24V DC; (5)環境溫度:-30 ~ 80℃; (6)出線口:M20×1.5; (7)防爆標志:ExibIICT4; |
三、金屬管流量計外形尺寸圖:
![]() |
![]() |
![]() |
![]() |
![]() |
![]() |
| 下進上出 | 防腐型 | 上進下出 | 下進側出 | 夾套型 | 水平安裝 |
|
通徑 (DN) |
L (mm) |
H (mm) |
B (mm) |
![]() |
| 15 | 150 | 250 | 220 | |
| 25 | 150 | 250 | 230 | |
| 50 | 175 | 250 | 270 | |
| 80 | 210 | 250 | 300 | |
| 100 | 230 | 250 | 320 | |
| 150 | 265 | 400 | 360 | |
| 200 | 300 | 500 | 390 |
四、金屬管流量計流量范圍表:
| 通徑(mm) | 流 量 范 圍 | 壓力損失kPa | |||
| 水L/h | 空氣M3/h | 水 | 空氣 | ||
| 常規型 | 防腐型 | 常規型、防腐型 | |||
| DN15 | 2.5~25 | --- | 0.07~0.7 | 6.5 | 7.1 |
| 4.0~40 | 2.5~25 | 0.11~1.1 | 6.5 | 7.2 | |
| 6.3~63 | 4.0~40 | 0.18~1.8 | 6.6 | 7.3 | |
| 10~100 | 6.3~63 | 0.28~2.8 | 6.6 | 7.5 | |
| 16~160 | 10~100 | 0.40~4.0 | 6.8 | 8.0 | |
| 25~250 | 16~160 | 0.7~7.0 | 7.2 | 10.8 | |
| 40~400 | 25~250 | 1.0~10 | 8.6 | 10.0 | |
| 63~630 | 40~400 | 1.6~16.0 | 11.1 | 14.0 | |
| DN25 | 100~1000 | 63~630 | 3~30 | 7.0 | 7.7 |
| 160~1600 | 100~1000 | 4.5~45 | 8.0 | 8.8 | |
| 250~2500 | 160~1600 | 7~70 | 10.8 | 12.0 | |
| 400~4000 | 250~2500 | 11~110 | 15.8 | 19.0 | |
| DN40 | 500~5000 | --- | 12~120 | 10.8 | 9.8 |
| 600~6000 | ---- | 16~160 | 12.6 | 16.5 | |
| DN50 | 630~6300 | 400~4000 | 18~180 | 8.1 | 8.6 |
| 1000~10000 | 630~6300 | 25~250 | 11.0 | 10.4 | |
| 1600~16000 | 1000~10000 | 40~400 | 17.0 | 15.5 | |
| DN80 | 2500~25000 | 1600~16000 | 60~600 | 8.1 | 12.9 |
| 4000~40000 | 2500~25000 | 80~800 | 9.5 | 18.5 | |
| DN100 | 6300~63000 | 4000~40000 | 100~1000 | 15.0 | 19.2 |
| DN150 | 20000~100000 | --- | 600~3000 | 19.2 | 20.3 |
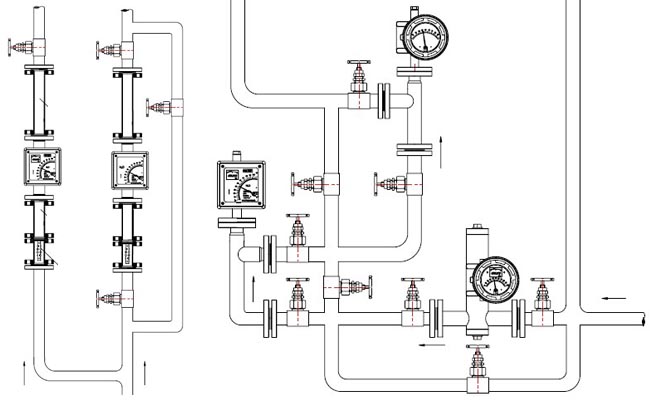
五、金屬管流量計安裝示意圖:
六、金屬管轉子流量計選型表:
| JP-LZ | 金屬管轉子流量計 | ||||||||||||||
|
口徑 (mm) |
15 | DN15 | 80 | DN80 | |||||||||||
| 25 | DN20 | 100 | DN100 | ||||||||||||
| 40 | DN40 | 150 | DN150 | ||||||||||||
| 50 | DN50 | 200 | DN200 | ||||||||||||
| 結構形式 | / | 下進上出 | AA | 側進側出 | |||||||||||
| H1 | 左進右出 | LA | 低進側出 | ||||||||||||
| H2 | 右進左出 | S | 螺紋安裝 | ||||||||||||
| M | 衛生型快裝式 | ||||||||||||||
| 本體材質 | R1 | 321不銹鋼 | RH | 哈氏合金C | |||||||||||
| R4 | 304不銹鋼 | RT | 鈦 | ||||||||||||
| R6 | 316不銹鋼 | RF | 不銹鋼襯四氟 | ||||||||||||
| 指示器類型 | 7 | 指針顯示瞬時流量 | |||||||||||||
| 9 | LCD顯示瞬時與累積 | ||||||||||||||
| 供電及輸出信號 | K | 4~20mA DC24V | |||||||||||||
| Z | 4~20mA DC24V+HART協議 | ||||||||||||||
| D | 鋰電池供電帶液晶表頭 | ||||||||||||||
| 報警輸出 | / | 無報警輸出 | |||||||||||||
| 1 | 帶一個報警輸出 | ||||||||||||||
| 2 | 帶兩個報警輸出 | ||||||||||||||
| 測量介質 | L | 液體 | |||||||||||||
| G | 氣體 | ||||||||||||||
| 附加選項 | T | 測量管帶保溫夾套 | |||||||||||||
| B | 防爆(ExII CT6) | ||||||||||||||









![[list:title]](/uploads/allimg/180722/1-1PH2101937.jpg)







